电阻作为一种最基本电子元器件,广泛运用在各种电路中,通常我们也认为电阻是用法最简单的一种电子元器件,除了功率外,没有过多的讲究。如果今天我说就这个小小的电阻,许多资深电子工程师都不一定真正懂得如何用,您相信吗?
在选用电阻的时候,如果避除高频电路的特殊应用,一般我们只考虑电阻的功率,对于普通工程师,只要能通过流过电阻的电流选择合适的功率,就可算做合格,如果能考虑到瞬时功率,就可以算做不错的工程师。但要能真正正确使用电阻,只有做到这两点还不够,看了下面的文字您就会明白,原来用电阻还有这么多讲究。
注:后面内容是我个人对一些实际应用做出的理解,不一定完全正确,只做参考。
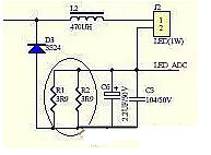
先看一个简单的电路图,是通过采样电阻R1和R2对流过LED灯的电流采样,然后调整PWM输出,以保证不同电压下流过LED灯的电流恒定。

这个电路图有一个让人纳闷的地方,为什么采样电阻要用两个?两个3.9欧的电阻,好像用一个2欧的电阻也没什么问题啊?就算是电流比较大,我们可以选用更大功率的电阻来解决,装一个电阻比装两个电阻要简单方便,这样的电路着实让人有点迷糊。
以我个人的理解,这种电路形式有以下优点:
1、多个电阻更利于散热,两个1W的2欧电阻并联使用和一个2W的1欧电阻单独使用,流过同样的电流,大多数时候两个电阻并联使用温升要小,电阻在温度高(比如高于70摄氏度)的条件下可以承受的功率会明显下降,这样两个电阻并联的电路效果会更好。
2、多个电阻可以通过电阻的组合得出更理想的电阻值,比如实际应用中1.95欧电阻比2欧电阻更合适,如果想直接买一个1.95欧的电阻肯定没有两个3.9欧的电阻方便,因为3.9欧是标准阻值,而1.95欧不是。
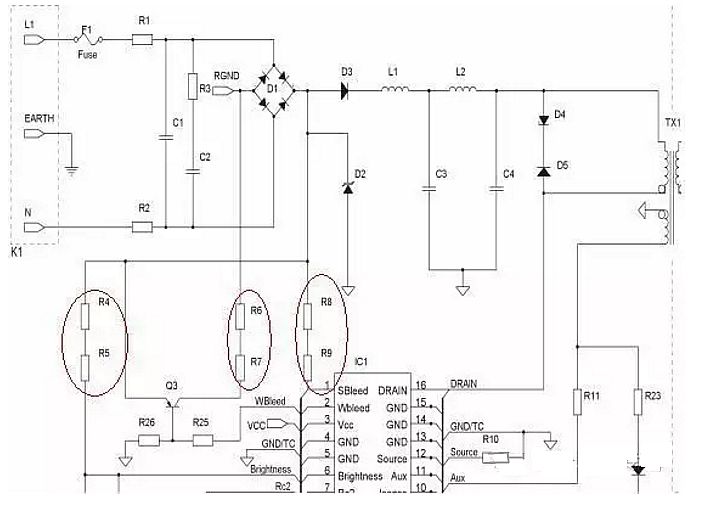
再看一个电源类产品中常见的电路,这个电路就更加“古怪”,图中是R4和R5串联、R6和R7串联、R8和R9串联。

这个电路中R4和R5的阻值之和通常为1M~1.5M,也就是说只要这两个电阻的阻值和在这个范围内都可以接受,对电路功能没有明显影响。于是这里就引出一个疑问,为什么这里要用两个电阻串联呢?
如果是功率原因,就算是230V的交流,一个1M的电阻承受的功率会符合此公式:P=(230*1.414)*(230*1.414)/1000000=0.105625W,只要选用一个1/8的电阻就够用了,用功率来解释说不通。
这种电路涉及到电阻两个容易被大家忽略的参数“最大耐压值”和“最大工作电压”,电阻除了阻值、额定功率外,还有两个重要参数是最大耐压值和最大工作电压,比如常见的1/4W插件电阻,通常最大耐压值是500V、最大工作电压为250V。
再来看上面的电路,如果我们把R4和R5合并成一个1/4W 1M的插件电路,功率上讲是没有问题的,但是230V交流通过整流桥后可以产生最高325V的直流电压,这样就会让这个电阻长时间工作在300V左右的电压下,时间一长,就会损坏这个电阻,但如果是用两个510K的电阻串联,每个电阻只分到大约150V的电压,就可以保证电路长时间稳定工作。